Die Wildgänse kommen...
...auf dem Januar-Kalenderblatt des Desktop-Tierkalenders der Albert-Schweitzer-Stiftung:
https://albert-schweitzer-stiftung.de/massentierhaltung/desktophintergrund-tierkalender
#Desktophintergrund #kalender #desktopkalender
Ach ja, Tschüß, Ferkelchen. 🐖
Hallo Hochlandrind. 🐂
#Tierkalender
#Desktophintergrund #AlbertSchweitzerStiftung
#GoVegan
https://albert-schweitzer-stiftung.de/massentierhaltung/desktophintergrund-tierkalender
#Tierkalender #Desktophintergrund #albertschweitzerstiftung #govegan
#Fotomontag
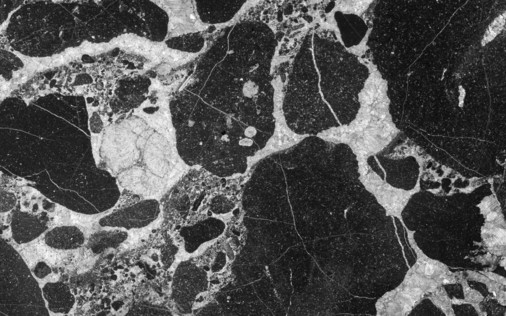
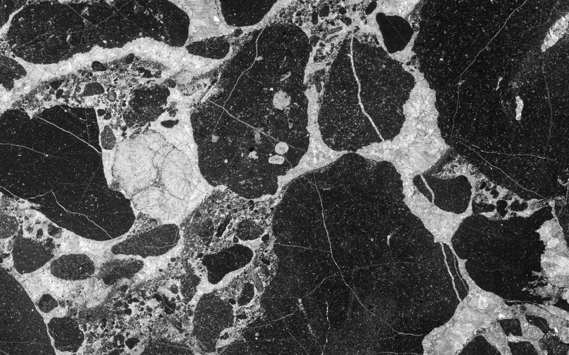
Anbei ein Bild, das ich seit Jahren als #Desktophintergrund nutze.
Es stammt aus meiner Masterarbeit und ist ein Dünnschliff.
Hierfür wird eine hier 5 x 5 cm messende Gesteinsprobe auf einen Glasträger geklebt und dann auf ca. 0,05 mm Dicke heruntergeschliffen. Dabei wird sie durchscheinend und kann mittels Durchlichtmikroskop untersucht werden. Neben der mineralischen und ggf. fossilen Zusammensetzung erkennt man so auch feinste Strukturen.
#Fotomontag #Desktophintergrund
#Beobachtung aus #Wahlkampf 2004; #Website #Interaktion
#Logo(s), #Button(s), #Banner zum #Verlinken; #Newsletter auf #fremd(en) #Seite(n); #Countdown; #Newsbox; #einheitlich(es) #Design; #RSS #Newsfeed(s); #Extraseite #PDA #kompatibel; #Bildschirmschoner und #Desktophintergrund als #Download; #Merchandising / #Merch; #Chat mit #Themenabend(en), #Gäste(n), #Experte(n); #Protokoll(e) zum #download;
#Funktion(en):
#Film(e) / #Video(s); #Fotogallerie, #Startseite, #FAQ, #Suchfunktion, Webcam
#beobachtung #wahlkampf #website #interaktion #logo #button #banner #Verlinken #newsletter #fremd #seite #countdown #Newsbox #einheitlich #design #rss #newsfeed #Extraseite #pda #Kompatibel #Bildschirmschoner #Desktophintergrund #download #Merchandising #merch #chat #Themenabend #Gäste #experte #protokoll #funktion #film #video #Fotogallerie #startseite #faq #Suchfunktion