morgan · @morgan
96 followers · 238 posts · Server leds.social

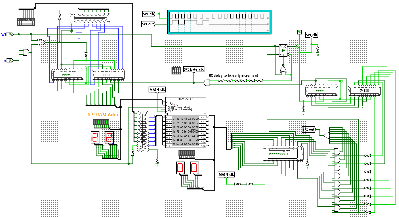
gotta put this down for a bit and move onto some other projects but this has been a super fun exerciser, and aside I'm certain to have some timing debugging to do I think I have a mostly working SPI output driver in

WE HIGH will write the address
DE HIGH will write data.

Addressing needs a latch so after WE it will go back to where it was but nothing else major far as I can tell. Will to to breadboard over the weekend if I have enough spare parts.

#logisim

Last updated 3 years ago

Yuri Pridestar · @Yuri
3 followers · 2 posts · Server furry.engineer

I'm staring at , trying to think how I'm going to implement interrupts as well as pipeline this , and end up needing the electronic version of an "if" statement. I go back to wanting to use a counter and some microcode, but I feel there's a better way.

#logisim #homebrewcpu

Last updated 3 years ago

Neo_Chen (BU4AK) · @Neo_Chen
354 followers · 4845 posts · Server mastodon.xyz

我也有自己的 CPU 設計了!
github.com/NeoChen1024/Weird_C

#cpu #logisim

Last updated 4 years ago

Neo_Chen (BU4AK) · @Neo_Chen
355 followers · 4847 posts · Server mastodon.xyz

Just made a shift adder and a shift multiplier in Logisim-Evolution

#ee #logisim #opensource

Last updated 6 years ago